网站首页
走进新鼎龙
公司简介
资质证书
企业文化
车间设备
产品中心
全部产品
门窗系列
幕墙系列
工业系列
其他系列
资讯中心
行业资讯
企业新闻
服务支持
企业优势
联系方式
Open Menu
网站首页
走进新鼎龙
返回上一级
公司简介
企业文化
车间设备
产品中心
返回上一级
门窗系列
幕墙系列
工业系列
其他系列
新闻资讯
返回上一级
行业资讯
企业新闻
服务支持
企业优势
联系方式
English
产品中心
门窗系列
普通门窗系列
45系列平开门
46系列地弹门
50系列平开窗
50系列平开门
50-1系列平开窗
PC55系列平开窗
70系列平开门
80系列推拉窗
80M系列推拉门
802系列推拉窗
8288系列推拉窗
868系列推拉窗
86系列推拉门
90-1系列推拉窗
60M系列平开门
60TT-7系列平开窗
70TT系列平开窗
70TT系列平开门
75TT系列平开窗
75TT系列平开门
85TT系列推拉窗
90M系列推拉门
A80系列普通推拉窗
90TT推拉窗
隔热断桥门窗系列
46TT系列隔热地弹门
50TT系列隔热平开窗
52TT系列隔热平开窗
55P系列隔热外平开窗
55TT系列隔热外平开门
55/63TT系列隔热平开窗
60TT系列隔热平开窗
65TT系列隔热平开窗
70TT系列隔热平开窗
80TT系列隔热推拉窗
83TT系列隔热推拉窗
83H系列隔热推拉窗
90TT推拉门
99T系列隔热推拉窗
112T系列隔热推拉窗
135TT系列隔热提升推拉门
注胶门窗系列
50K系列注胶平开窗
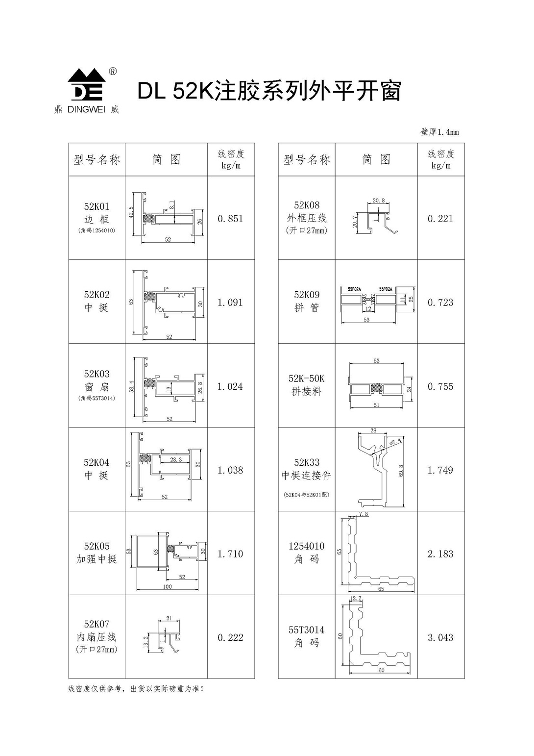
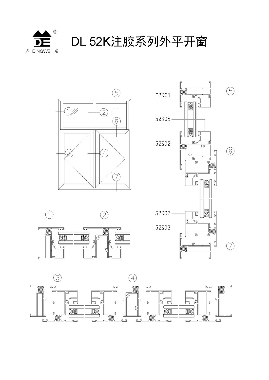
52K系列注胶
55K系列注胶平开窗
60K系列注胶平开窗
80K系列注胶推拉窗
88K系列注胶推拉窗
89K系列注胶推拉门
90K系列注胶推拉窗
92K系列注胶推拉门
95K系列注胶推拉窗
100K系列注胶推拉门
新国标门窗系列
50-7系列平开窗
988系列推拉窗
55TT-6系列隔热平开窗
65TT-7系列隔热平开窗
65M系列隔热平开门
95M系列隔热推拉门
106TT系列隔热推拉窗
幕墙系列
普通幕墙系列
110-180系列隐框幕墙
110-190系列隐框幕墙
130-190系列幕墙
86、120、160系列明框幕墙
130-210系列明框幕墙
135系列明框幕墙
150系列明框幕墙
200系列幕墙
隔热断桥幕墙系列
130、170、185-2系列隔热断桥幕墙
140/160系列隔热断桥幕墙
145/165/170/185/190系列隔热断桥幕墙
145/165/175/195(34mm)系列隔热断桥幕墙
130/160/170(30mm)系列隔热断桥幕墙
165/190系列隔热断桥幕墙
工业系列
工业型材系列
工业风扇扇叶
太阳能边框
石膏线模具
流水线
散热器
净化房系列
龙骨系列
其他系列
其他
石材挂件
百叶隔栅系列
扶手
固定压线座
阳光房系列
吊顶龙骨铝方通
角码系列
扁铝、角铝、槽铝、方管、圆管
您好,您当前所在位置:
首页
> 52K系列注胶外平开窗
返回列表
上一个
下一个
工作时间:周一到周五 09:00-18:00
产品快速导航
门窗系列
幕墙系列
工业系列
其他系列
关于我们
公司简介
公司文化
企业优势
服务支持
地址:江阴市华士镇新华路39号
联系人:屈先生 13952487526
联系人:贡先生 13373619000
电话:0510-86218937
邮箱:qubin@xindinglong.cn
QQ:892318971
关注我们
Copyright © 2025 江阴新鼎龙铝型材有限公司 备案号:
苏ICP备2022037428号-1
Designed by HUSEO
网站首页
产品中心
一键拨打
一键导航